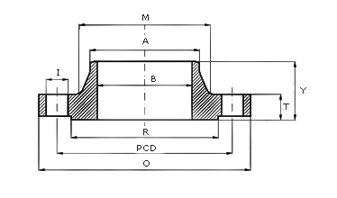
ANSI B16.5 Weld Neck Flange
![]() | ![]() |

* For other pressure rating or details of ANSI B16.5 ,Please contact with us by Email or Calling.
Description:Weld Neck Flange
Dimension:1/2"-24"
Material Grade & Specification:
Carbon Steel ASTM A105, ASTM A350 LF1, A350LF2, A350LF3, A36, ASTM A234 WPB, Q235B etc.
Stainless Steel ASTM A182 F304, F304L, F316, F316L, F316Ti,F321,F317/317L,F347,F310,F44 (254SMo),904L etc.
ASTM A182 F429,F430,F440A,F6a,F6NM
Alloy Steel A182/A338 F1,F5,F9,F91,F92,F11,F12,F22 etc.
Duplex and Super Duplex: A182 F51 (UNS S31803), A182 F60, F53 (UNS S32750)
Nickel Alloy:UNS 2200 (NICKEL 200), UNS 4400 (MONEL 400), UNS 8825 INCONEL (825), UNS 6600 (INCONEL 600), UNS 6601 (INCONEL 601), UNS 6625 (INCONEL 625), UNS 10276 (HASTELLOY C 276), UNS 2201 (NICKEL 201), (ALLOY 20 / 20 CB 3)
Pressure Rating:Class 150,300,600,1500,2500 lbs ,PN0.6、1.0、1.6、2.5、4.0、6.3、10.0、16.0、PN2.0、5.0、11.0、15.0、26.0、42.0MPa
Production Standard:ANSI,JIS,DIN,BS4504,SABS1123,EN1092-1,UNI,AS2129,GOST-12820,MSS SP44,API :
Flange Face:Flat Face (FF),Raised Face (RF),Ring Type Joint (RTJ) etc.
Surface Treatment:Anti Rust Oil, Black Paint Coating, Yellow Paint Coating, Hot Dipped Galvanized etc.
Packing:No Fumigate or Fumigate Plywood/Wood Pallet or Case
>>Flange is specified with the following details:
1) Type and Facing: i.e. whether the flange is for example “Weld Neck, RTJ” or “Socket Weld, RF”.
2) Nominal Pipe Size: required for all flanges, usually in inches.
3) Flange Pressure Class: required for all flanges, e.g. Class 150, 300, 900, 1500, 2500 etc.
4) Standard: ANSI B16.5, BS 1560, API 6A, API 605 ,ASME B16.47.
5) Material: A material specification must be stated and will be as quoted in the piping specification.
6) Pipe Schedule: only for Weld Neck, Socket Weld, Composite Lap Joint and Swivel Ring flanges where the flange bore must match that of the pipe, e.g. Schedule 10, 30, 40, ,80, 120, 160, etc.
>>The following British Standards are also used for the standardisation of pipe joints:
BS 1560 Steel Pipe Flanges and Flanged Fittings
BS 3381 Metallic Spiral Wound Gaskets for Use with Flanges to BS 1560
BS 1832 Oil Resistant Compressed Asbestos Fibre Jointing
BS F125 Rubber Bonded Compressed Asbestos Fibre Jointing
BS 3293 Carbon Steel Pipe Flanges (over 24” NB) for the Petroleum Industry
BS 3799 Steel Pipe Fittings, Screwed and Socket-Welded for the Petroleum Industry
BS 1580 Specification for Unified Screw Threads
>>The following American Standards are used for the standardisation of pipe joints:
ANSI BI.1 Unified Inch Screw Threads (UN and UNR Thread Form)
ANSI BI.20.1 Pipe Threads, General Purpose (Inch)
ANSI B16.5 Pipe Flanges and Flanged Fittings
ANSI B16.9 Factory made Wrought Steel Butt Welding Fittings
ANSI B16.11 Forged Steel Fittings, Socket Welding and Threaded
ANSI B16.20 Ring-Joint Gaskets and Groves for Steel Pipe Flanges
ANSI B16.21 Non-Metallic Flat Gaskets for Pipe Flanges
API 601 Metallic Gaskets for RF Pipe Flanges and Flanged Connections
API 6A Specification for Wellhead and Christmas Tree Equipment
ANSI B16.47 Large Diameter Steel Flanges (NPS26 through NPS60)
API 605 Large Diameter Carbon Steel Flanges
ANSI B16.1 Cast Iron Pipe Flanges and Flanged Fittings





